亨利🚩夫妇㊙️ Products|Trough Rollers|Impact Rollers|Bend Pulley|Conveyor Components-Huzhou Tianhe Machinery Co., Ltd.
Your Position:Home - Products -
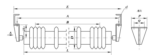
Return Flat Sleeve Idler
Previous Product: Return V-type Sleeve Idler
总 公 司急 速 版WAP 站H5 版无线端AI 智能3G 站4G 站5G 站6G 站
·